Samodzielne podłączenie domofonu ACO może wydawać się skomplikowane, zwłaszcza gdy mamy do czynienia z systemami cyfrowymi. Ten praktyczny poradnik został stworzony, aby przeprowadzić Cię przez każdy etap instalacji od przygotowania narzędzi, przez prawidłowe podłączenie przewodów, aż po konfigurację i rozwiązanie ewentualnych problemów. Dzięki niemu, nawet jeśli nie jesteś doświadczonym instalatorem, będziesz w stanie samodzielnie i bezpiecznie uruchomić swój nowy domofon ACO.
Prawidłowe podłączenie domofonu ACO: kluczowe wskazówki dla instalacji cyfrowej
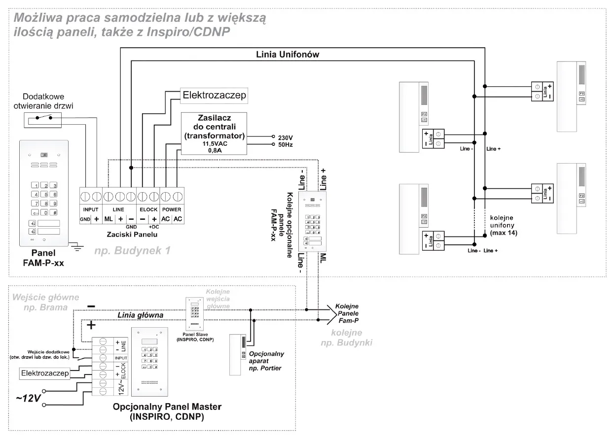
- Zawsze odłącz zasilanie przed rozpoczęciem prac instalacyjnych
- Zwróć uwagę na polaryzację przewodów LINE+ i LINE- w systemach cyfrowych ACO
- Adresowanie unifonu za pomocą zworek jest kluczowe dla jego prawidłowego działania
- Weryfikuj funkcje przewodów miernikiem, zwłaszcza w starszych instalacjach
- Pamiętaj o uziemieniu panelu zewnętrznego dla bezpieczeństwa i ochrony sprzętu
- Typowe problemy to brak reakcji (złe adresowanie), komunikat "Zwar. L" (zwarcie), i zakłócenia audio

Zanim zaczniesz, czyli co musisz wiedzieć przed podłączeniem domofonu ACO?
Sprawdź, czy masz wszystko: niezbędne narzędzia i elementy zestawu
Zanim przystąpisz do pracy, upewnij się, że posiadasz wszystkie niezbędne narzędzia i elementy. Do podstawowych narzędzi, które ułatwią Ci montaż domofonu ACO, należą:- Wkrętak: Niezbędny do odkręcania i przykręcania śrub mocujących oraz zacisków przewodów.
- Szczypce do zdejmowania izolacji: Pozwolą na precyzyjne przygotowanie końcówek przewodów do podłączenia.
- Miernik elektryczny (multimetr): To kluczowe narzędzie, które pomoże Ci zidentyfikować poszczególne żyły w kablu, sprawdzić ciągłość połączeń oraz zweryfikować brak napięcia przed rozpoczęciem pracy.
Podstawowy zestaw domofonowy zazwyczaj zawiera unifon (słuchawkę wewnętrzną), panel zewnętrzny (kaseta z przyciskami i głośnikiem), zasilacz oraz odpowiednie okablowanie. Upewnij się, że wszystkie te elementy są obecne i nieuszkodzone.
Bezpieczeństwo przede wszystkim – jak prawidłowo odłączyć zasilanie?
Praca z instalacją elektryczną zawsze wymaga zachowania szczególnej ostrożności. Zanim zaczniesz jakiekolwiek prace przy podłączaniu domofonu, bezwzględnie odłącz zasilanie. Najbezpieczniej jest wyłączyć odpowiedni bezpiecznik w rozdzielni elektrycznej, który zasila obwód, w którym będziesz pracować. Po wyłączeniu bezpiecznika, zawsze zweryfikuj brak napięcia za pomocą miernika elektrycznego na przewodach, z którymi będziesz się łączyć. Jest to absolutnie kluczowe dla Twojego bezpieczeństwa.
Cyfrowy czy analogowy? Zrozumienie Twojej instalacji domofonowej
Domofony ACO występują w różnych systemach, a kluczowe jest zrozumienie, z jakim typem instalacji masz do czynienia. Wiele nowoczesnych systemów ACO, w tym te wykorzystujące popularne unifony takie jak model INS-UP720B, opiera się na systemie cyfrowym. Charakteryzuje się on zazwyczaj wykorzystaniem dwużyłowej magistrali do komunikacji między wszystkimi elementami systemu. W przeciwieństwie do starszych systemów analogowych, gdzie każdy unifon mógł wymagać osobnego przewodu, system cyfrowy jest bardziej elastyczny i często prostszy w okablowaniu. Zrozumienie tej różnicy jest fundamentalne dla prawidłowego podłączenia przewodów i konfiguracji urządzenia.
Podłączenie unifonu ACO krok po kroku – od A do Z
Tajemnice przewodów: jak zidentyfikować żyły LINE+ i LINE- w starej instalacji?
W cyfrowych systemach domofonowych ACO, prawidłowe podłączenie przewodów do zacisków oznaczonych jako "LINE+" i "LINE-" w unifonie jest absolutnie kluczowe. W nowych instalacjach kolorystyka przewodów jest zazwyczaj standardowa i ułatwia identyfikację. Jednak w przypadku starszych, istniejących instalacji, kolorystyka kabli może być myląca lub zupełnie niestandardowa. Nie należy polegać wyłącznie na kolorach. W takiej sytuacji niezastąpiony okazuje się miernik elektryczny. Pozwala on na weryfikację funkcji poszczególnych żył przed podłączeniem, np. poprzez sprawdzenie, która żyła jest podłączona do linii zasilającej, a która do linii sygnałowej.
Schemat to podstawa: prawidłowe podłączenie kabli do zacisków unifonu
Po zidentyfikowaniu odpowiednich żył kabla, przystępujemy do podłączenia ich do unifonu. Proces ten przebiega następująco:
- Odkręć śrubki zacisków "LINE+" i "LINE-" na płytce unifonu.
- Przygotuj końcówki przewodów, zdejmując niewielki fragment izolacji.
- Podłącz żyłę oznaczoną jako "LINE+" (lub jej odpowiednik zidentyfikowany miernikiem) do zacisku "LINE+" w unifonie.
- Podłącz żyłę oznaczoną jako "LINE-" (lub jej odpowiednik) do zacisku "LINE-" w unifonie.
- Dokładnie dokręć śrubki, upewniając się, że przewody są pewnie zamocowane i nie ma ryzyka zwarcia.
Pamiętaj o zachowaniu właściwej polaryzacji! Pomylenie przewodów LINE+ i LINE- jest jedną z najczęstszych przyczyn problemów. Może to spowodować zablokowanie całego systemu domofonowego, co często jest sygnalizowane komunikatem "Zwar. L" na panelu zewnętrznym. W takiej sytuacji konieczne będzie ponowne sprawdzenie podłączenia i poprawienie ewentualnych błędów.
Znaczenie kolorów kabli – czy zawsze można im ufać?
Jak już wspomnieliśmy, kolorystyka kabli jest ważną wskazówką, ale nie zawsze niezawodną. W nowych instalacjach producenci często stosują standardowe oznaczenia kolorystyczne, które ułatwiają identyfikację poszczególnych żył. Jednak w starszych budynkach, gdzie instalacje były wykonywane wiele lat temu, można spotkać się z dowolną kombinacją kolorów. Dlatego tak ważne jest, aby nie polegać wyłącznie na wyglądzie kabli. Zawsze zaleca się weryfikację funkcji każdej żyły za pomocą miernika elektrycznego. Pozwoli to uniknąć pomyłek, które mogłyby prowadzić do nieprawidłowego działania domofonu lub nawet jego uszkodzenia.
Klucz do sukcesu: jak poprawnie zaadresować unifon ACO?
Co to jest adresowanie i dlaczego jest tak ważne?
W cyfrowych systemach domofonowych ACO, adresowanie unifonu to fundamentalny proces konfiguracji, który nadaje każdemu unifonowi unikalny numer mieszkania. Bez prawidłowego adresowania, unifon nie będzie w stanie poprawnie komunikować się z panelem zewnętrznym. Oznacza to, że nie usłyszysz dzwonka, gdy ktoś naciśnie przycisk, ani nie będziesz mógł nawiązać połączenia z osobą stojącą przed drzwiami. Adresowanie jest więc kluczowym krokiem, który pozwala systemowi rozpoznać, który unifon powinien zareagować na wywołanie z konkretnego przycisku na panelu zewnętrznym.
Instrukcja ustawiania zworek – jak nadać numer mieszkania krok po kroku (przykłady)
Adresowanie unifonu w systemach cyfrowych ACO najczęściej odbywa się za pomocą niewielkich zworków umieszczonych na płytce elektronicznej urządzenia. Zasada jest prosta: każda zworka odpowiada określonej wartości liczbowej (zazwyczaj są to potęgi liczby 2: 1, 2, 4, 8, 16, 32 itd.). Aby nadać unifonowi numer mieszkania, należy założyć zworki w taki sposób, aby suma wartości pinów, na których znajdują się zworki, odpowiadała numerowi lokalu.
Oto jak to zrobić krok po kroku:
- Zlokalizuj na płytce drukowanej unifonu zestaw pinów przeznaczonych do adresowania. Zazwyczaj są one oznaczone liczbami (np. 1, 2, 4, 8...).
- Określ numer mieszkania, które ma obsługiwać dany unifon.
- Załóż zworki na odpowiednie piny, aby uzyskać sumę odpowiadającą numerowi mieszkania.
Przykład: Chcemy ustawić adres dla mieszkania numer 5. W tym celu musimy uzyskać sumę 5. Możemy to zrobić, zakładając zworki na piny "1" i "4" (1 + 4 = 5). Jeśli chcemy ustawić adres dla mieszkania numer 12, potrzebujemy zworki na pinach "4" i "8" (4 + 8 = 12).
Pamiętaj, aby zworki były prawidłowo osadzone na pinach. Po ustawieniu zworek, należy ponownie podłączyć przewody do unifonu i sprawdzić jego działanie.
Najczęstsze błędy przy adresowaniu i jak ich uniknąć
Podczas adresowania unifonu można popełnić kilka typowych błędów. Oto najczęściej spotykane i wskazówki, jak ich uniknąć:
- Brak zworki lub zworka na niewłaściwym pinie: Upewnij się, że zworka jest założona na właściwy pin i jest dobrze osadzona.
- Nieprawidłowa suma wartości: Dokładnie policz sumę wartości pinów, na których założyłeś zworki. Upewnij się, że odpowiada ona numerowi mieszkania.
- Zworka założona na pin o zbyt dużej wartości: Jeśli numer mieszkania jest mały, nie zakładaj zworek na piny o dużych wartościach (np. 16, 32), chyba że jest to konieczne do uzyskania sumy.
- Złe podłączenie przewodów LINE+/LINE-: Nawet jeśli adresowanie jest poprawne, nieprawidłowe podłączenie linii może uniemożliwić działanie unifonu. Zawsze sprawdzaj polaryzację.
Podłączenie panelu zewnętrznego i elektrozaczepu
Montaż kasety zewnętrznej – na co zwrócić uwagę?
Montaż panelu zewnętrznego, czyli kasety domofonowej, wymaga kilku przemyślanych kroków. Przede wszystkim wybierz odpowiednie miejsce zazwyczaj jest to wysokość około 140-160 cm od poziomu gruntu, co zapewnia wygodny dostęp dla większości użytkowników. Zadbaj o ochronę panelu przed bezpośrednim działaniem warunków atmosferycznych, takich jak deszcz czy intensywne nasłonecznienie. Montaż powinien być stabilny i bezpieczny, aby zapobiec przypadkowemu uszkodzeniu lub kradzieży urządzenia. Upewnij się, że miejsce montażu pozwala na łatwe przeprowadzenie przewodów.
Prawidłowe podłączenie zasilania i elektrozaczepu do centrali
Panel zewnętrzny domofonu ACO wymaga zasilania do poprawnego działania. Zazwyczaj jest ono dostarczane przez dedykowany zasilacz, który podłącza się do sieci elektrycznej. Następnie zasilacz ten podłączamy do odpowiednich zacisków w panelu zewnętrznym lub centrali systemu. Równie ważnym elementem jest elektrozaczep, który umożliwia zdalne otwieranie drzwi. Elektrozaczep jest zazwyczaj zasilany bezpośrednio z centrali domofonowej lub z tego samego zasilacza, co panel zewnętrzny. Kluczowe jest dokładne przestrzeganie schematu połączeń dostarczonego przez producenta dla Twojego konkretnego modelu urządzenia, aby zapewnić prawidłowe i bezpieczne działanie.
Rola uziemienia (PE) – dlaczego nie wolno o nim zapomnieć?
Producent ACO, podobnie jak w przypadku wielu urządzeń elektronicznych, zaleca podłączenie przewodu uziemiającego (PE) do obudowy panelu zewnętrznego. Jest to niezwykle ważny element, który znacząco wpływa na bezpieczeństwo użytkowników oraz ochronę samego urządzenia. Uziemienie chroni przed porażeniem prądem w przypadku awarii izolacji oraz zabezpiecza elektronikę przed uszkodzeniami spowodowanymi przepięciami, na przykład podczas burzy. Nie pomijaj tego kroku jest on istotny dla długowieczności i niezawodności Twojego domofonu.
Pierwsze uruchomienie i testowanie – czy wszystko działa?
Jak sprawdzić poprawność połączenia po montażu?
Po zakończeniu wszystkich prac montażowych i podłączeniu przewodów, nadszedł czas na pierwsze uruchomienie. Zanim jednak ponownie podłączysz zasilanie, przeprowadź szybką wizualną inspekcję wszystkich połączeń. Upewnij się, że przewody są solidnie zamocowane w zaciskach, nie ma luźnych żył ani widocznych uszkodzeń izolacji. Gdy masz pewność, że wszystko jest na swoim miejscu, możesz bezpiecznie włączyć zasilanie w rozdzielni. Po włączeniu zasilania, obserwuj zachowanie urządzenia czy nie pojawiają się żadne niepokojące sygnały, takie jak dym, zapach spalenizny czy nietypowe dźwięki.
Testowanie kluczowych funkcji: wywołanie, rozmowa, otwieranie drzwi
Po pomyślnym uruchomieniu zasilania, przystąp do testowania podstawowych funkcji domofonu:
- Wywołanie: Naciśnij przycisk wywołania na panelu zewnętrznym. Sprawdź, czy odpowiedni unifon w mieszkaniu zaczyna dzwonić.
- Rozmowa: Po odebraniu połączenia na unifonie, nawiąż rozmowę z osobą stojącą przed drzwiami. Sprawdź jakość dźwięku czy jest czysty, bez zakłóceń i czy obie strony słyszą się wyraźnie.
- Otwieranie drzwi: Podczas rozmowy lub po jej zakończeniu, naciśnij przycisk otwierania drzwi na unifonie. Sprawdź, czy elektrozaczep prawidłowo odblokowuje drzwi.
Powtórz testy kilkukrotnie, aby upewnić się, że system działa niezawodnie.
Regulacja głośności i inne podstawowe ustawienia
Większość unifonów ACO oferuje możliwość regulacji głośności dzwonka oraz rozmowy. Poszukaj potencjometrów lub przycisków na obudowie unifonu, które pozwolą Ci dostosować poziom dźwięku do Twoich preferencji. W niektórych bardziej zaawansowanych modelach, dostęp do ustawień może być możliwy poprzez menu serwisowe, do którego dostęp zazwyczaj wymaga specjalnej kombinacji przycisków. Zapoznaj się z instrukcją obsługi Twojego konkretnego modelu, aby dowiedzieć się, gdzie znajdują się te opcje i jak je dostosować.
Coś poszło nie tak? Najczęstsze problemy i ich rozwiązania
Domofon nie dzwoni lub nie reaguje – co sprawdzić w pierwszej kolejności?
Jeśli Twój domofon ACO nie reaguje na wywołanie, czyli unifon nie dzwoni, najczęstsze przyczyny są dwie:
- Złe adresowanie unifonu: Jest to najbardziej prawdopodobna przyczyna. Sprawdź ponownie, czy zworki na płytce unifonu są ustawione poprawnie i czy ich suma odpowiada numerowi mieszkania.
- Nieprawidłowe podłączenie do linii: Upewnij się, że przewody LINE+ i LINE- są podłączone do właściwych zacisków w unifonie i panelu zewnętrznym, z zachowaniem właściwej polaryzacji.
Zawsze w pierwszej kolejności sprawdź te dwa elementy. Jeśli problem nadal występuje, warto zweryfikować ciągłość przewodów za pomocą miernika.
Komunikat "Zwar. L" na wyświetlaczu – jak zdiagnozować i naprawić zwarcie?
Komunikat "Zwar. L" (lub podobny, wskazujący na zwarcie na linii) na wyświetlaczu panelu zewnętrznego jest sygnałem, że w instalacji doszło do zwarcia. Najczęściej jest to spowodowane:
- Pomyleniem przewodów LINE+ i LINE-: Jest to najczęstsza przyczyna. Należy dokładnie sprawdzić podłączenie przewodów w każdym punkcie instalacji od panelu zewnętrznego, przez okablowanie, aż po unifon.
- Uszkodzona izolacja przewodów: Sprawdź, czy izolacja przewodów nie jest uszkodzona, co mogłoby prowadzić do kontaktu żył ze sobą lub z metalowymi elementami obudowy.
- Zwarcia wewnątrz urządzenia: W rzadkich przypadkach zwarcie może znajdować się w samym panelu zewnętrznym lub unifonie.
Aby zdiagnozować i naprawić zwarcie:
- Odłącz zasilanie instalacji.
- Dokładnie sprawdź podłączenie przewodów LINE+ i LINE- w panelu zewnętrznym i unifonie, upewniając się, że polaryzacja jest prawidłowa.
- Sprawdź stan izolacji wszystkich przewodów.
- Jeśli problem nadal występuje, rozważ odłączenie poszczególnych elementów systemu (np. unifonu), aby zlokalizować źródło zwarcia.
Przeczytaj również: Kod do domofonu - Jak wpisać i co zrobić, gdy nie działa?
Słaba jakość dźwięku lub "buczenie" w słuchawce – gdzie szukać przyczyny?
Jeśli podczas rozmowy słyszysz zakłócenia, "buczenie" lub dźwięk jest bardzo cichy, może to mieć kilka przyczyn:
- Zbyt mały przekrój przewodów zasilających: W przypadku długich instalacji, cienkie przewody mogą powodować spadki napięcia, co negatywnie wpływa na jakość dźwięku.
- Zbyt duża odległość od zasilacza: Podobnie jak w przypadku grubości przewodów, duża odległość może prowadzić do spadków napięcia.
- Zakłócenia elektromagnetyczne: W pobliżu instalacji mogą znajdować się urządzenia generujące silne pola elektromagnetyczne, które mogą zakłócać sygnał audio.
Możliwe rozwiązania to:
- Zastosowanie przewodów o większym przekroju do zasilania systemu.
- Instalacja dodatkowego zasilacza w pobliżu panelu zewnętrznego lub unifonu.
- Skrócenie odległości między elementami systemu, jeśli jest to możliwe.
- Upewnienie się, że instalacja jest prawidłowo uziemiona.
